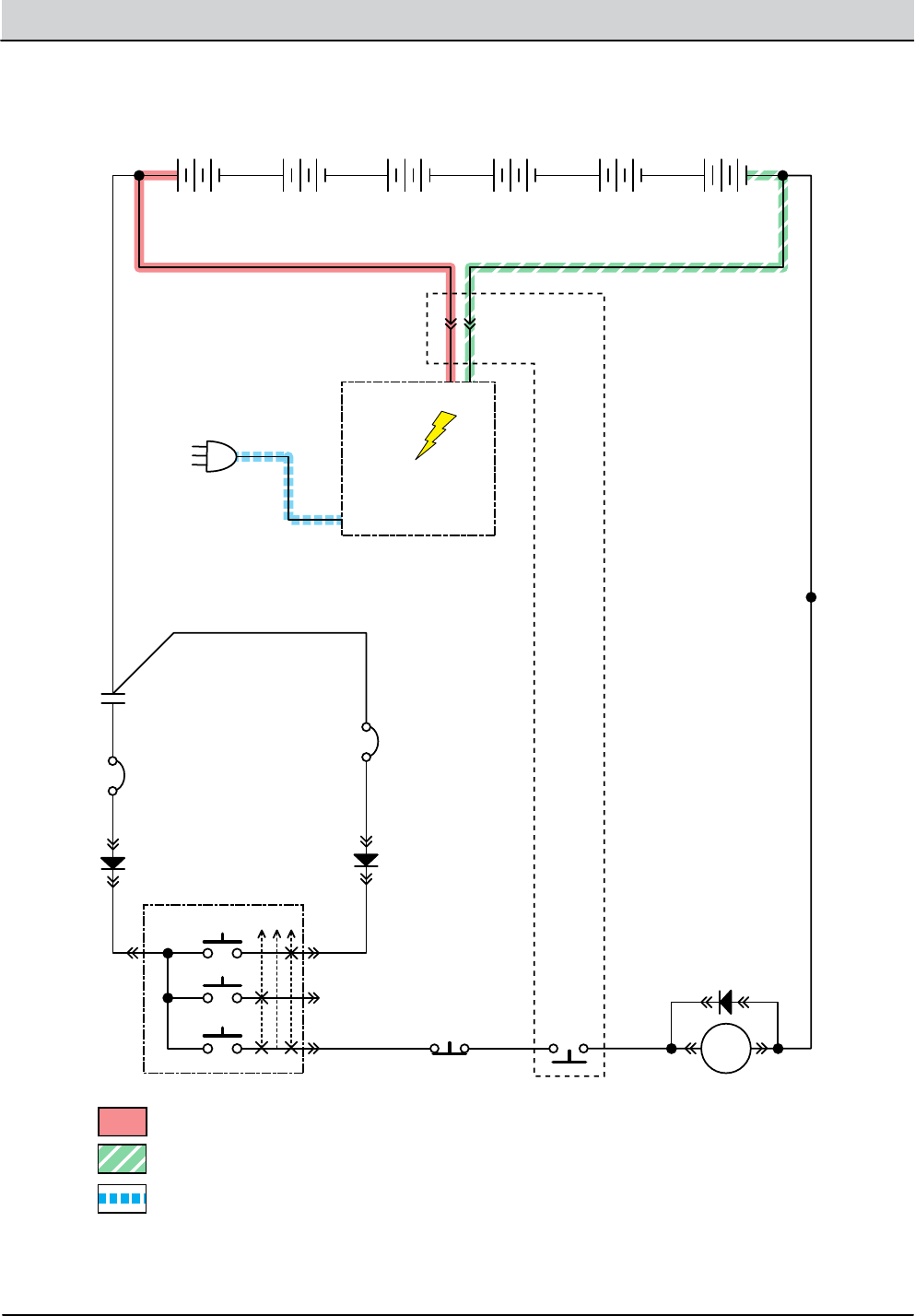
T16 Service Manual Tennant rider floor scrubber

Tennant T16 Service Manual. T16 Service Manual Tennant rider floor scrubber Ensure the brush is securely mounted on the brush drive hub 02 (12-2011) North America / International The Safe Scrubbing Alternative Hygenic Fully Cleanable Tanks ES Extended Scrub System (Battery)

T16 Service Manual Tennant rider floor scrubber
T16 Service Manual Tennant rider floor scrubber from usermanual.wiki

skirt Wrong sweeping brush Contact TENNANT representative for recommendations Main brush drive failure Contact TENNANT service personnel T16 9008308 (3−2011) Box 6 5400 AA Uden-The Netherlands [email protected] www.tennantco.com

T16 Service Manual Tennant rider floor scrubber

T16 www.tennantco.com *9008142* Rider Scrubber Operator Manual 9008142 Rev T16 *9008308* Rider Scrubber English EN Operator Manual 9008308 Rev BUILT-IN "TENNANT VALUE" INCLUDES: 36V, 235 AH Battery Pack Removable Tool Caddy and Large Cargo Net Storage Area

T16 Service Manual Tennant rider floor scrubber. T16 Service Information 9008149 (1-11) Page 37: Scrub Brushes 7 T16 *9008308* Rider Scrubber English EN Operator Manual 9008308 Rev

T16 Service Manual Tennant rider floor scrubber. skirt Wrong sweeping brush Contact TENNANT representative for recommendations Main brush drive failure Contact TENNANT service personnel T16 9008308 (3−2011) View online or download Tennant T16 Service Information Manual, Operator's Manual, Instruction Bulletin